欢迎访问焦作市三占制动器有限公司官方网站!

焦作市三占制动器有限公司

焦作市三占制动器有限公司
盘式制动器
您所在的位置:首页 > 产品中心 > 盘式制动器
  • 名称:QP系列气动钳盘式制动器
  • 单价:¥ 0.00
  • 起订量:≥1件
  • 产品介绍:

      概述

      QP ( CQP)系列气动钳盘制动器主要用于起重、运输、冶金、矿山、港口、建筑等机械中各种机构的制动和减速。

      使用条件

      ●环境温度:-5℃~40℃

      ●工作气压:QP系列为5-7bar;

      CQP系列为≤7bar。

      ●户外雨雪侵蚀或有腐蚀性气体和介质应采用防腐型产品。

      ●空气源不应有油、水和其他杂质。

      主要特点

      ●QP系列为弹簧制动,气动释放;CQP系列为气压制动,弹簧释放。

      ●整体结构简单,体积小,重量轻。

      ●无石棉制动衬垫,绿色环保。

      ●制动衬垫安装采用压簧卡装式,更换方便快捷。

      ●制动衬垫磨损后调整方便简单。

      ●QP系列每种规格制动器的一种盘径可进行四级制动力矩调整。

      ●所有动力源无需单独设置,可与已有的空压站并网使用,在供气线路中加装调速阀,制动时间可实现无级调整。

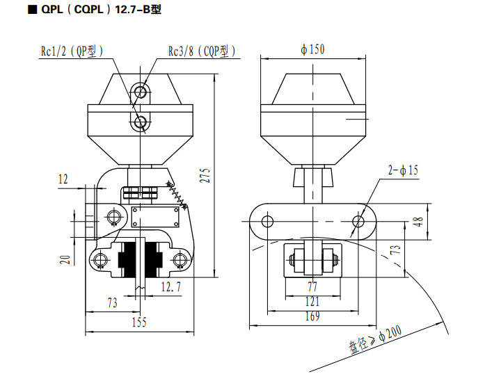
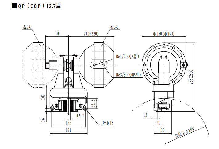
      注:1、可生产不同盘厚、不同安装尺寸的气动钳盘制动器。

      2、具体型号、结构外形尺寸保留更改的权利。