欢迎访问焦作市三占制动器有限公司官方网站!

焦作市三占制动器有限公司

焦作市三占制动器有限公司
电力液压制动器
您所在的位置:首页 > 产品中心 > 电力液压制动器
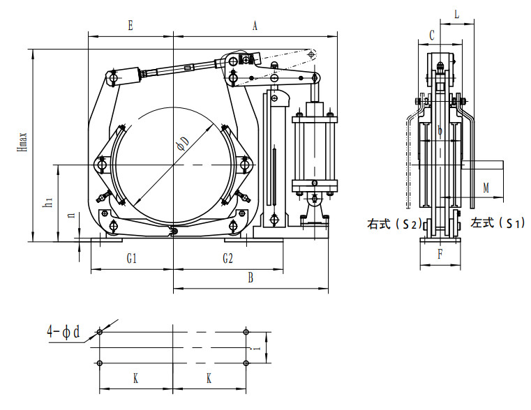
  • 名称:YW系列气动鼓式制动器
  • 单价:¥ 0.00
  • 起订量:≥1件
  • 产品介绍:

      ■概述

      YW系列气动鼓式制动器主要用于起重、运输、冶金、矿山、港口、建筑等机械中各种机构的制动;其安装尺寸符合DIN15435和JB/T7021-2006标准,技术要求符合JB/T6406-2006标准。

      ■使用条件

      ●环境温度:-20℃~50℃。

      ●周围工作环境中不得有易燃、易爆及腐蚀性气体,否则应采用防腐型产品。●空气相对湿度不大于90%。

      工作气压

      0.5~0.7MPa