欢迎访问焦作市三占制动器有限公司官方网站!

焦作市三占制动器有限公司

焦作市三占制动器有限公司
电力液压制动器
您所在的位置:首页 > 产品中心 > 电力液压制动器
  • 名称:YWZ3B系列电力液压鼓式制动器
  • 单价:¥ 0.00
  • 起订量:≥1件
  • 产品介绍:

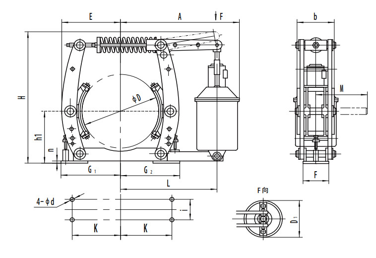
      制动器安装尺寸和制动力矩参数符合GB6333-86标准,技术条件符合JB/T6406-2006标准。

      主要特点

      性能安全可靠,制动平稳,动作频率高。使用条件

      环境温度:-20℃~45℃。空气相对湿度不大于90%。

      周围工作环境中不得有易燃、易爆及腐蚀性气体,否则应采用防腐型产品。使用地点的海拔高度符合GB755-2000。

      外形尺寸图