欢迎访问焦作市三占制动器有限公司官方网站!

焦作市三占制动器有限公司

焦作市三占制动器有限公司
电力液压制动器
您所在的位置:首页 > 产品中心 > 电力液压制动器
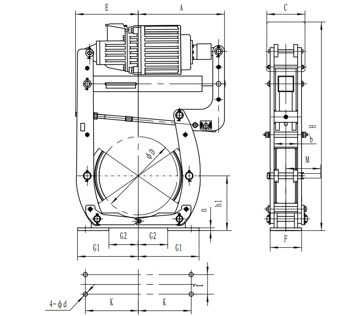
  • 名称:YW-L电力液压鼓式制动器
  • 单价:¥ 0.00
  • 起订量:≥1件
  • 产品介绍:

      ■符合标准

      制动器安装尺寸符合DIN15435和JB/T7021-2006标准,技术要求符合JB/T6406-2006标准。

      ■使用条件

      ●环境温度:-20℃~50℃。

      ●周围工作环境中不得有易燃、易爆及腐蚀性气体,否则应采用防腐型产品。●空气相对湿度不大于90%。

      ●使用地点的海拔高度符合GB755-2000。