欢迎访问焦作市三占制动器有限公司官方网站!

焦作市三占制动器有限公司

焦作市三占制动器有限公司
电力液压制动器
您所在的位置:首页 > 产品中心 > 电力液压制动器
  • 名称:YJGQ型液压夹轨器
  • 单价:¥ 0.00
  • 起订量:≥1件
  • 产品介绍:

      YJGQ型液压夹轨器主要用于各种桥式、门式集装箱起重机等轨道式机械工作状态或非工作状态下的防风和抵御其它外来的冲击力。

      主要特点

      ●常闭设计、弹簧力夹紧,液压缸驱动释放;●防腐型设计;

      设有释放限位开关,可与起重机行走机构进行连锁保护;

      钳体为可浮动式结构:水平浮动距±20mm,垂直浮动距离±10mm;

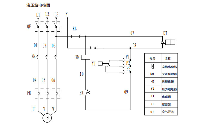
      主机与液压站一般采用整体结构(如需要,主机可与液压站分离,请订货时事先说明)。

      使用条件:

      ●环境温度:0℃~40℃。

      ●液压站驱动电源:一般用于三相AC380V、50Hz(如需其它电压,请订货时事先说明)。

      ●液压站控制电源:AC220V、50Hz●限位开关电源:AC125V~250V。

      ●适用的工作方式:间断式,短时作用、较低频率。